一、产品概述:
DFW系列高压电缆分接箱是由12kV电缆附件和箱体组成的高压电器设备,充分灵活运用了电缆接插件串联并联的优势,可在户外全天候运行,选用于供电网络中电缆的联接、分接和电能的转移、分配。
二、使用环境:
1、温度:-40度至+70度,低于-40度请与我们联系
2、湿度:日平均相对湿度不大于95%,月平均值不大于90%
3、饱和蒸气压力日平均值不大于2.2Kpa,月平均值不大于1.8Kpa
4、海拔不超过2000米,如超过使用请与我们联系
5、周围空气没有明显受到尘埃、烟、腐蚀性或可燃性气体、蒸气或盐雾的污染
6、外绝缘耐污秽等级为II级、无经常性的剧烈震动
三、技术参数:
|
序号 |
项目 |
参数 |
|
1 |
额定电压 |
12KV |
|
2 |
额定电流 |
630A |
|
3 |
工频耐受 |
42KV |
|
4 |
雷电冲击电压 |
105KV |
|
5 |
热稳定电流 |
20KA/2S |
|
6 |
回路电阻 |
≤60μΩ |
|
7 |
防护等级 |
IP43 |
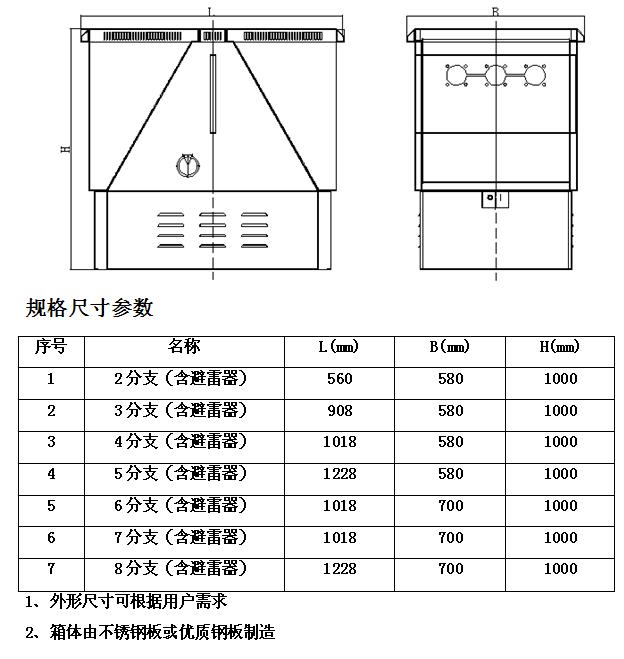
四、结构及外形尺寸图
